วันนี้ผมได้มีโอกาสแกะฟร้อน Alpine DVA-9861E ที่ติดมากับรถ Triton 4ประตู ปี 2012 แต่ไม่มีความรู้เกี่ยวกับช่องต่างๆ เหล่านี้เลย ท่านใดรู้ ช่วยอธิบายทีครับ ว่า ช่องต่างๆ เหล่านี้เอาไว้ทำอะไรได้บ้าง ขอขอบคุณล่วงหน้านะครับ
ไฟล์แนบ 196662
Printable View
วันนี้ผมได้มีโอกาสแกะฟร้อน Alpine DVA-9861E ที่ติดมากับรถ Triton 4ประตู ปี 2012 แต่ไม่มีความรู้เกี่ยวกับช่องต่างๆ เหล่านี้เลย ท่านใดรู้ ช่วยอธิบายทีครับ ว่า ช่องต่างๆ เหล่านี้เอาไว้ทำอะไรได้บ้าง ขอขอบคุณล่วงหน้านะครับ
ไฟล์แนบ 196662
เท่าที่รู้นะ
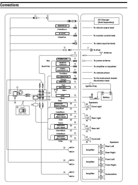
1 (มินิแจ๊๊ค)ไม่รู้อ่ะ ไม่เคยใช้มันเลย แต่ถัดขึ้นไปเหลี่ยม ๆ ดำ ๆ คือช่องเสียบสัญญาณ ดิจิตอล (optical) ไปเข้าโปรเซสเซอร์
2 ช่องสัญญาณออก (rca) ขาวซ้าย แดงขวา อนาล๊อก ไปเข้าแอมป์หรือปรี R ชุดหลัง F ชุดหน้า SW ซับวูฟเฟอร์
3 ปลั๊กสีฟ้าเหลี่ยมข้างกลมข้าง ช่องเสียบสัญญาณเข้า สำหรับ Ipod Iphone ส่วนปลั๊กกลมบนสุด ช่องเสียบสัญญาณ Ai-net สำหรับแหล่งเฉพาะของ alpine หากแหล่งอื่นก็จะมีสายแปลงเพื่อใช้ร่วมกัน
ลอง ๆ เปิดดูคู่มือประกอบด้วยก็ดีครับ ผมอธิบายไม่ค่อยถูก เพราะบางจุดไม่เคยใช้เลย ก็ใช้พื้น ๆ แบบทั่วไปมากกว่า
1 น่าจะใช้สำหรับเสียบ แจ๊ค control เครื่องเสียงที่พวงมาลัย น่ะ
ลองตามนี้ดูครับ...
ไฟล์แนบ 196700ไฟล์แนบ 196701
สำหรับข้อ 3 ดูวิธีการติดตั้งได้ที่
http://www.pajerosport-thailand.com/...?topic=10037.0
ครับ:19 4:
ขอบพระคุณมากครับพี่น้องชาวไทรทัน สำหรับคำแนะนำดีๆ คลับเราอบอุ่นมาก