-
ตอบ: DIY Cruise Control Triton 2011 ด้วยงบ 55 บาท
สอบถามหน่อยครับ ถ้าเราต่อเอาแค่สวิทช์on off กับสวิทช์ set 2ตัว ได้ป่าว
-
ตอบ: DIY Cruise Control Triton 2011 ด้วยงบ 55 บาท
อ้างอิง:
โพสต้นฉบับโดยคุณ
pommitsu
สอบถามหน่อยครับ ถ้าเราต่อเอาแค่สวิทช์on off กับสวิทช์ set 2ตัว ได้ป่าว
ได้ครับ. แต่ว่าต่อเพิ่มนิดเดียวก็ได้ครบแล้วนะครับ
-
ตอบ: DIY Cruise Control Triton 2011 ด้วยงบ 55 บาท
อ้างอิง:
โพสต้นฉบับโดยคุณ
ponheart
ได้ครับ. แต่ว่าต่อเพิ่มนิดเดียวก็ได้ครบแล้วนะครับ
ใช้งานหลักๆก็แค่2ตัวก็พอ
-
ตอบ: DIY Cruise Control Triton 2011 ด้วยงบ 55 บาท
อยากทำแล้ว แต่รอ switch ก่อน จะได้เนียนๆ :kapook-17340-6327:
-
ตอบ: DIY Cruise Control Triton 2011 ด้วยงบ 55 บาท
4x2m11 มีไฟ cruise รอแฮะ:16 3:
-
ตอบ: DIY Cruise Control Triton 2011 ด้วยงบ 55 บาท
ผมได้ทำครูชแล้วครับ แต่ขอสอบถามหน่อย เวลาเราset ครูชแล้วคันเร่งยังใช้ได้อยู่แต่ถ้าเราผ่อนก็กลับมาตำแหน่งที่เราsetครูชอาการนี้ผิดปกติหรือเปล่า
-
ตอบ: DIY Cruise Control Triton 2011 ด้วยงบ 55 บาท
อ้างอิง:
โพสต้นฉบับโดยคุณ
pommitsu
ผมได้ทำครูชแล้วครับ แต่ขอสอบถามหน่อย เวลาเราset ครูชแล้วคันเร่งยังใช้ได้อยู่แต่ถ้าเราผ่อนก็กลับมาตำแหน่งที่เราsetครูชอาการนี้ผิดปกติหรือเปล่า
ปรกติ ครับน้า มันจะตัดก็ต่อเมื่อ เกินความเร็วหรือลดความเร็วจากที่ Set ไว้เกิน 20 Km/Hr ครับ
-
ตอบ: DIY Cruise Control Triton 2011 ด้วยงบ 55 บาท
ผมก็ใช้อยู่ทุกวันครับปรกติดี ได้กระทู้นี้แหละครับทำให้ Triton Plus MT ใช้ Cruise DIY แบบไม่ต้องเสียตังเยอะครับ
-
ตอบ: DIY Cruise Control Triton 2011 ด้วยงบ 55 บาท
สรุปแล้ว รุ่นตัวเตีัยก็ทำได้ใช่มั้ยครับ ยังไม่เคยเห็นอาาาาาาาา
-
ตอบ: DIY Cruise Control Triton 2011 ด้วยงบ 55 บาท
ในรูปโปรไฟล์ผมเป็นคันเก่านะครับคันใหม่ผมใช้พลัสครับ
-
ตอบ: DIY Cruise Control Triton 2011 ด้วยงบ 55 บาท
มีน้าท่านได้รับทำบ้างครับ แถวปิ่นเกล้าหรือใกล้ๆครับ สนใจอยากทำ ขอบคุณครับ
-
ตอบ: DIY Cruise Control Triton 2011 ด้วยงบ 55 บาท
อ้างอิง:
โพสต้นฉบับโดยคุณ
wettern
มีน้าท่านได้รับทำบ้างครับ แถวปิ่นเกล้าหรือใกล้ๆครับ สนใจอยากทำ ขอบคุณครับ
หากมีโอกาสแวะมาเที่ยวแถวพัทยา-สัตหีบ-ระยอง จัดให้ได้ ครับน้า
-
ตอบ: DIY Cruise Control Triton 2011 ด้วยงบ 55 บาท
อ้างอิง:
โพสต้นฉบับโดยคุณ
pk_kom
หากมีโอกาสแวะมาเที่ยวแถวพัทยา-สัตหีบ-ระยอง จัดให้ได้ ครับน้า
นั้นไง มาเที่ยวแถวนี้แถมได้ติด Cruise ด้วยน่ะครับ
-
ตอบ: DIY Cruise Control Triton 2011 ด้วยงบ 55 บาท
อ้างอิง:
โพสต้นฉบับโดยคุณ
wettern
มีน้าท่านได้รับทำบ้างครับ แถวปิ่นเกล้าหรือใกล้ๆครับ สนใจอยากทำ ขอบคุณครับ
เดี๋ยวประมาณต้นเดือนพฤศจิกายน ผมจะย้ายไปอยู่แถว ๆ สาย 1 หลังสายใต้ใหม่ ถ้าน้าไปรีบ เดี๋ยวผมทำให้ครับ
-
ตอบ: DIY Cruise Control Triton 2011 ด้วยงบ 55 บาท
ครับ ขอบคุณครับ จะรอครับน้าjassada
ขอบคุณครับ น้าpk_kom
-
ตอบ: DIY Cruise Control Triton 2011 ด้วยงบ 55 บาท
อ้าวววววว. น้าเจษ กับน้าคม เป๋นคนเหนือก่าคับ ผมก่อเหนือคับ คนน่าน จื่อ เวทคับ
-
ตอบ: DIY Cruise Control Triton 2011 ด้วยงบ 55 บาท
อ้างอิง:
โพสต้นฉบับโดยคุณ
wettern
อ้าวววววว. น้าเจษ กับน้าคม เป๋นคนเหนือก่าคับ ผมก่อเหนือคับ คนน่าน จื่อ เวทคับ
ยินดีด้ายฮุ้จักครับ น้าเวท บ่ จั้ยก้าคนเหนือ ยังอยู่บ้านเดียวกั๋น ตำบลเดียวกันตวยครับ 555...แม้นเนอะอ้ายเจษ แต่ยังบ่เกยป๊ะกั๋นเต้าอั้นครับ
มีอะหยั่งปรึกษาอู้กั๋นดัย ตามลายเซ็นต์เน้ออ้าย..ยินดีจ๊าดนั๊กครับ
-
ตอบ: DIY Cruise Control Triton 2011 ด้วยงบ 55 บาท
คับน้าคม ยินดีเหมือนกั๋นคับ ถ้ามีหยั๋งจะปรึกษาคับ ขอบคุณจ๊าดนั้กคับ
-
2 ไฟล์แนบ
ตอบ: DIY Cruise Control Triton 2011 ด้วยงบ 55 บาท
วันนี้ลองเกะดูแล้ว m11 4x2 ตัวเตี้ยไม่มีสายมารอที่ปั๊ก c35 เดี๋ยวหาสายที่ ecu เลย..ไม่รุ้ว่าจะได้หรือปล่าว
-
ตอบ: DIY Cruise Control Triton 2011 ด้วยงบ 55 บาท
หลังจากที่ไล่ socket 103 ได้มาดังนี้
154 อยู่ที่ขา 15 ecu
139 อยู่ที่ขา 28 ecu สองตัวนี้เข้า criuse
126 ขา 41 ecu กราวน์
สามตัวนี้ถุกต้องหรื่อปล่าวผมไล่ตาม flow แล้วมาไล่ขาที่ ECU ขาดไฟ cruise หาไม่เจอ
-
ตอบ: DIY Cruise Control Triton 2011 ด้วยงบ 55 บาท
socket ตูด ECU ถอดยากมาก พักไว้ก่อนไม่ไหว
-
1 ไฟล์แนบ
ตอบ: DIY Cruise Control Triton 2011 ด้วยงบ 55 บาท
อ้างอิง:
โพสต้นฉบับโดยคุณ
its
หลังจากที่ไล่ socket 103 ได้มาดังนี้
154 อยู่ที่ขา 15 ecu
139 อยู่ที่ขา 28 ecu สองตัวนี้เข้า criuse
126 ขา 41 ecu กราวน์
สามตัวนี้ถุกต้องหรื่อปล่าวผมไล่ตาม flow แล้วมาไล่ขาที่ ECU ขาดไฟ cruise หาไม่เจอ
น่าจะเป็นขา 125 นะครับน้า
ไฟล์แนบ 249120
-
ตอบ: DIY Cruise Control Triton 2011 ด้วยงบ 55 บาท
ขอบคุณครับน้าเจษ ใครมีวิธีถอด สายไฟ ปลั๊ก ecu มั้ง จะทำให้ได้ ถอดได้ถึงแค่ตัวล๊อค:11 2:
-
1 ไฟล์แนบ
ตอบ: DIY Cruise Control Triton 2011 ด้วยงบ 55 บาท
อ้างอิง:
โพสต้นฉบับโดยคุณ
its
ขอบคุณครับน้าเจษ ใครมีวิธีถอด สายไฟ ปลั๊ก ecu มั้ง จะทำให้ได้ ถอดได้ถึงแค่ตัวล๊อค:11 2:
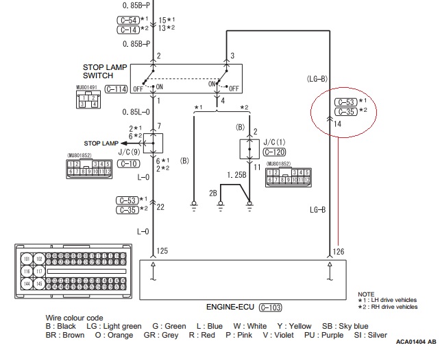
โทษทีครับน้า 125 ที่ผมบอกไปน่าจะผิดครับ
ผมได้กลับไปดูอีกครั้ง และได้เทียบกับของผมตาม C35 แล้ว จะอยู่ตรง pin 16 ซึ่งก็แปลว่า รุ่นของน้าตรง pin ecu ต้องเป็น 45 (C-105) ครับ (ถ้าเทียบกับของผมแล้วสัญญาณไฟจะเป็น ลบ ครับ)
ไฟล์แนบ 249160
ส่วน 125 คิดว่านะจะเป็นสวิทย์ครัช ซื้อเราไม่มีสวิทย์ตัวนี้ก็ไม่จำเป็นต้องใช้ครับ (แต่ยังไงถ้าเราเหยียบครัชตอน cruise ทำงานระบบก็ยกเลิกอยู่ดีครับ)
สรุปคร่าว ๆ M11 ก็คือ
193 กับ 154 (ถ้าตรง C-35) มีสายก็จะอยู่ที่ 193:13, 154:15 (ต่อเข้ากับสวิทย์ cruise)
126 ต่อลงกราวด์ (ถ้าตรง C-35 จะเป็ฯ PIN 14)
45 : เป็นขั้วลบ ไฟ LED (ถ้าตรง C-35 จะเป็น PIN 16)
ส่วน 125 (C-35 : pin 22 ) ไม่ต้องสนใจครับ
-
ตอบ: DIY Cruise Control Triton 2011 ด้วยงบ 55 บาท
อ้างอิง:
โพสต้นฉบับโดยคุณ
jessada
โทษทีครับน้า 125 ที่ผมบอกไปน่าจะผิดครับ
ผมได้กลับไปดูอีกครั้ง และได้เทียบกับของผมตาม C35 แล้ว จะอยู่ตรง pin 16 ซึ่งก็แปลว่า รุ่นของน้าตรง pin ecu ต้องเป็น 45 (C-105) ครับ (ถ้าเทียบกับของผมแล้วสัญญาณไฟจะเป็น ลบ ครับ)
ไฟล์แนบ 249160
ส่วน 125 คิดว่านะจะเป็นสวิทย์ครัช ซื้อเราไม่มีสวิทย์ตัวนี้ก็ไม่จำเป็นต้องใช้ครับ (แต่ยังไงถ้าเราเหยียบครัชตอน cruise ทำงานระบบก็ยกเลิกอยู่ดีครับ)
โอเคครับ เดี๋ยวจะลองหา ปลั๊กตัวอื่นดูว่านอกจาก c35 c103 c105 แล้วมันมีปลั๊กอื่นที่ทำได้หรือปล่าว...ถ้าหาไม่ได้จริงๆ ต้องหาวิธีเพิ่มสายไฟไปใน ปลั๊ก ecu ครับ :36 5:
-
ตอบ: DIY Cruise Control Triton 2011 ด้วยงบ 55 บาท
อ้างอิง:
โพสต้นฉบับโดยคุณ
its
โอเคครับ เดี๋ยวจะลองหา ปลั๊กตัวอื่นดูว่านอกจาก c35 c103 c105 แล้วมันมีปลั๊กอื่นที่ทำได้หรือปล่าว...ถ้าหาไม่ได้จริงๆ ต้องหาวิธีเพิ่มสายไฟไปใน ปลั๊ก ecu ครับ :36 5:
ผมคิดว่า ปลั๊ก c-35 น่าจะป็นตัวแรกที่ออกจาก ecu นะ ถ้าตรงปลั๊กนี้ไม่มีสายแล้ว คงต้องต่อออกจาก กล่อง ecu เลยนะครับ
-
ตอบ: DIY Cruise Control Triton 2011 ด้วยงบ 55 บาท
อ้างอิง:
โพสต้นฉบับโดยคุณ
its
ขอบคุณครับน้าเจษ ใครมีวิธีถอด สายไฟ ปลั๊ก ecu มั้ง จะทำให้ได้ ถอดได้ถึงแค่ตัวล๊อค:11 2:
น้า its ครับพมแนะนำว่าอย่าถอดตัวสายไฟออกจาก socket เลยครับเพราะสายไฟมันเข้าเป็นชุดหากถอดอกได้ พมกลัวว่าสายไฟมันจะปนกัน อยากที่จะจำหมดทุกสายเพราะหากเราเสียบกับไปไม่ตรง และไม่ใช่ช่องมันอาจจะเกิดปัญหาได้ครับ น้า
คือพมเองเคยถอด C-35 สายไฟออกจาก socket แล้วสายไฟเกิดสลับกัน แต่ดีหนะครับที่พมถ่ายรุปตำแหน่งต่างๆเอาไว้ก่อน ไม่งั้นแย่แน่ๆ
-
ตอบ: DIY Cruise Control Triton 2011 ด้วยงบ 55 บาท
อ้างอิง:
โพสต้นฉบับโดยคุณ
jessada
ผมคิดว่า ปลั๊ก c-35 น่าจะป็นตัวแรกที่ออกจาก ecu นะ ถ้าตรงปลั๊กนี้ไม่มีสายแล้ว คงต้องต่อออกจาก กล่อง ecu เลยนะครับ
งานยาวครับ 4x2 :27: ต้องหาวิธีเสริมสายไฟเข้า plug ecu แต่น้าเจษดูแล้วกล่องผมน่าจะใช้ได้ปล่าวหว่า จะได้ไม่เสียเวลาแกะ
-
ตอบ: DIY Cruise Control Triton 2011 ด้วยงบ 55 บาท
อ้างอิง:
โพสต้นฉบับโดยคุณ
pk_kom
น้า its ครับพมแนะนำว่าอย่าถอดตัวสายไฟออกจาก socket เลยครับเพราะสายไฟมันเข้าเป็นชุดหากถอดอกได้ พมกลัวว่าสายไฟมันจะปนกัน อยากที่จะจำหมดทุกสายเพราะหากเราเสียบกับไปไม่ตรง และไม่ใช่ช่องมันอาจจะเกิดปัญหาได้ครับ น้า
คือพมเองเคยถอด C-35 สายไฟออกจาก socket แล้วสายไฟเกิดสลับกัน แต่ดีหนะครับที่พมถ่ายรุปตำแหน่งต่างๆเอาไว้ก่อน ไม่งั้นแย่แน่ๆ
อ๋อครับ คือผมจะถอดปลั๊กออกมาเพิ่มสายไฟครับ ไม่ได้ถอดสายไฟออกจากปลั๊กครับน้า แต่ตัวปลั๊กล๊อคหลายชั้น มันล๊อคดีเกินไป ถอดยากมากเลยครับ//หรือน้าคมมีวิธีไหมครับ ห้าาา ปวดหัวสองวันเลยผม งานยาว
-
ตอบ: DIY Cruise Control Triton 2011 ด้วยงบ 55 บาท
อ้างอิง:
โพสต้นฉบับโดยคุณ
its
งานยาวครับ 4x2 :27: ต้องหาวิธีเสริมสายไฟเข้า plug ecu แต่น้าเจษดูแล้วกล่องผมน่าจะใช้ได้ปล่าวหว่า จะได้ไม่เสียเวลาแกะ
ยังบอกไม่ได้ครับน้าว่าได้หรือไม่ได้ ต้องลองครับ ถ้าดูจากคู่มือแล้วมันก็ไม่ได้บอกไว้ว่า คู่มือตัวนี้รุ่น plus หรือ 4X4 หรือ 4X2 อะครับ มันปน รวมกันมาเลยอะครับ (ไม่ได้กวนนะครับน้า แค่ดูจากคู่มือแล้วมันไม่ได้บอกจริง ๆ หรือมี อันนี้คงต้องรอน้าท่านอื่นต่อแล้วล่ะครับผม)
-
ตอบ: DIY Cruise Control Triton 2011 ด้วยงบ 55 บาท
-
2 ไฟล์แนบ
ตอบ: DIY Cruise Control Triton 2011 ด้วยงบ 55 บาท
อ้างอิง:
โพสต้นฉบับโดยคุณ
its
อ๋อครับ คือผมจะถอดปลั๊กออกมาเพิ่มสายไฟครับ ไม่ได้ถอดสายไฟออกจากปลั๊กครับน้า แต่ตัวปลั๊กล๊อคหลายชั้น มันล๊อคดีเกินไป ถอดยากมากเลยครับ//หรือน้าคมมีวิธีไหมครับ ห้าาา ปวดหัวสองวันเลยผม งานยาว
หากน้ารู้ตำแหน่งช่อง หรือขา pin ตามที่น้าเจษแนะนำแล้วมีช่องว่างน้าลองหา socket ในภาพมันเป็นปลั๊กเสียบของเมนบอร์ด pc เก่าๆหรือคอมเก่าที่ไม่ใช่แล้วก็ได้แกะเอา slot ทองแดงข้างในออกมาลองเสียเทียบดูกับช่องว่า socket ecu ครับ
ไฟล์แนบ 249183ไฟล์แนบ 249185
ใช่ตัวนี้หรือป่าวที่น้าอยากถอดเผื่อดูตำแหน่งขา pin ตามลูกศรชี้อะครับ และจะเสียบสายไฟเพิ่มเข้าไปในช่องว่าง ตำแหน่งของ ครูซ
-
ตอบ: DIY Cruise Control Triton 2011 ด้วยงบ 55 บาท
อ้างอิง:
โพสต้นฉบับโดยคุณ
pk_kom
หากน้ารู้ตำแหน่งช่อง หรือขา pin ตามที่น้าเจษแนะนำแล้วมีช่องว่างน้าลองหา socket ในภาพมันเป็นปลั๊กเสียบของเมนบอร์ด pc เก่าๆหรือคอมเก่าที่ไม่ใช่แล้วก็ได้แกะเอา slot ทองแดงข้างในออกมาลองเสียเทียบดูกับช่องว่า socket ecu ครับ
ไฟล์แนบ 249183ไฟล์แนบ 249185
ใช่ตัวนี้หรือป่าวที่น้าอยากถอดเผื่อดูตำแหน่งขา pin ตามลูกศรชี้อะครับ และจะเสียบสายไฟเพิ่มเข้าไปในช่องว่าง ตำแหน่งของ ครูซ
ใช่เลยครับน้าคมตัวนี้แระ
-
1 ไฟล์แนบ
ตอบ: DIY Cruise Control Triton 2011 ด้วยงบ 55 บาท
พมเองก็ยังไม่เคยถอดนะครับน้าอิฐ แต่มีวิธีแนะนำ อย่างแรกน้าจะต้องลองสอดสายไฟลงไปที่ช่องดูว่ารูมันตรงหรือป่าว ความลึกของรูมันลึกมากไหม ส่วนตำแหน่งสายไฟครูซ ทั้ง 4 เส้นว่ามาจากตำแหน่งใดของ ECU โดยไล่สายจากปลายทางตามรูปลงไปหากล่อง ecu เท่านี้ก็น่าจะทราบตำแหน่งครับ เพราะกล่อง ecu รุ่นเดียวกันหนะ(น้าเจษว่าไงครับ น้าบอลด้วย....)
ไฟล์แนบ 249190
-
1 ไฟล์แนบ
ตอบ: DIY Cruise Control Triton 2011 ด้วยงบ 55 บาท
น้าอิฐ สนใจกล่องนำไปลอง test ดูก่อนไหมครับ ตัวนี้ครับเดี๋ยวไงจัดส่งไปให้จะได้รู้จุดแล้วค่อยอัพเกรดที่หลังครับนำไปจิ้มๆช่อง pin กล่อง ECU เลยครับ แต่สายไฟมันสั้นน้าต้องไปต่อสายให้มันยาวๆหน่อย
ไฟล์แนบ 249191
-
ตอบ: DIY Cruise Control Triton 2011 ด้วยงบ 55 บาท
อ้างอิง:
โพสต้นฉบับโดยคุณ
pk_kom
น้าอิฐ สนใจกล่องนำไปลอง test ดูก่อนไหมครับ ตัวนี้ครับเดี๋ยวไงจัดส่งไปให้จะได้รู้จุดแล้วค่อยอัพเกรดที่หลังครับนำไปจิ้มๆช่อง pin กล่อง ECU เลยครับ แต่สายไฟมันสั้นน้าต้องไปต่อสายให้มันยาวๆหน่อย
ไฟล์แนบ 249191
ผมทำตัวนี้ทิ้งไว้แล้วครับ เหลือต่อสายไฟครับน้าคม
-
1 ไฟล์แนบ
ตอบ: DIY Cruise Control Triton 2011 ด้วยงบ 55 บาท
จริงๆ ปุ่มผมเอาแบบนี้แต่สั่งแล้วแต่ของยังไม่ถึงมีไฟในปุ่ม :Banane05:
เลยซื้อแบบสีแดงๆ มาลองก่อน
-
1 ไฟล์แนบ
ตอบ: DIY Cruise Control Triton 2011 ด้วยงบ 55 บาท
อ้างอิง:
โพสต้นฉบับโดยคุณ
jessada
โทษทีครับน้า 125 ที่ผมบอกไปน่าจะผิดครับ
ผมได้กลับไปดูอีกครั้ง และได้เทียบกับของผมตาม C35 แล้ว จะอยู่ตรง pin 16 ซึ่งก็แปลว่า รุ่นของน้าตรง pin ecu ต้องเป็น 45 (C-105) ครับ (ถ้าเทียบกับของผมแล้วสัญญาณไฟจะเป็น ลบ ครับ)
ไฟล์แนบ 249160
ไฟล์แนบ 249199
ส่วน 125 คิดว่านะจะเป็นสวิทย์ครัช ซื้อเราไม่มีสวิทย์ตัวนี้ก็ไม่จำเป็นต้องใช้ครับ (แต่ยังไงถ้าเราเหยียบครัชตอน cruise ทำงานระบบก็ยกเลิกอยู่ดีครับ)
สรุปคร่าว ๆ M11 ก็คือ
193 กับ 154 (ถ้าตรง C-35) มีสายก็จะอยู่ที่ 193:13, 154:15 (ต่อเข้ากับสวิทย์ cruise)
126 ต่อลงกราวด์ (ถ้าตรง C-35 จะเป็ฯ PIN 14)
45 : เป็นขั้วลบ ไฟ LED (ถ้าตรง C-35 จะเป็น PIN 16)
ส่วน 125 (C-35 : pin 22 ) ไม่ต้องสนใจครับ
น้าเจษ ขา 193 พมว่าน่าจะพิมผิดหนะครับ พมลองนับ ช่อง socket C-103 แล้วมันมีไม่ถึง 193
น่าจะเป็นขา 139 ของ C-103 สายไฟ R-L ไปครูซ จุดที่มี ค่า R นะครับ (3)
ส่วนขา 154 ของ C-103 สายไฟ Y-GR ไปครูซ จุดที่ไม่มี R ครับ (2)
ส่วนขา ลง GND และ ไฟโชว์ ครูซ เดี๋ยวหาให้ครับ..ขอดูไดอะแกรมก่อน 555
เจอหละ ขา 45 ของ C-105 สายไฟ BR-Y สัญญาณ(-) ไปไฟโชว์ครูซ ครับ
อีกอัน ขา 126 ของ C-103 สายไฟ LG-B สัญญาณ(-) ลงกราวด์ตัวถัง ครับ
ทั้งหมดที่ว่ามานี้ หากน้าท่านใดจะแนะนำแก้ไขเพิ่มเติมยินดีครับ...น้าเจษ....น้าบอล และน้าท่านอื่นด้วย ขอคุณครับ
-
1 ไฟล์แนบ
ตอบ: DIY Cruise Control Triton 2011 ด้วยงบ 55 บาท
อ้างอิง:
โพสต้นฉบับโดยคุณ
pk_kom
น้าเจษ ขา 193 พมว่าน่าจะพิมผิดหนะครับ พมลองนับ ช่อง socket C-103 แล้วมันมีไม่ถึง 193
น่าจะเป็นขา 139 ของ C-103 สายไฟ R-L ไปครูซ จุดที่มี ค่า R นะครับ (3)
ส่วนขา 154 ของ C-103 สายไฟ Y-GR ไปครูซ จุดที่ไม่มี R ครับ (2)
ส่วนขา ลง GND และ ไฟโชว์ ครูซ เดี๋ยวหาให้ครับ..ขอดูไดอะแกรมก่อน 555
เจอหละ ขา 45 ของ C-105 สายไฟ BR-Y สัญญาณ(-) ไปไฟครูซ ครับ
ใช่ครับ 139 ครับ น้าคม รอบคอบจริง ๆ
ไฟล์แนบ 249198
-
1 ไฟล์แนบ
ตอบ: DIY Cruise Control Triton 2011 ด้วยงบ 55 บาท
อ้างอิง:
โพสต้นฉบับโดยคุณ
pk_kom
พมเองก็ยังไม่เคยถอดนะครับน้าอิฐ แต่มีวิธีแนะนำ อย่างแรกน้าจะต้องลองสอดสายไฟลงไปที่ช่องดูว่ารูมันตรงหรือป่าว ความลึกของรูมันลึกมากไหม ส่วนตำแหน่งสายไฟครูซ ทั้ง 4 เส้นว่ามาจากตำแหน่งใดของ ECU โดยไล่สายจากปลายทางตามรูปลงไปหากล่อง ecu เท่านี้ก็น่าจะทราบตำแหน่งครับ เพราะกล่อง ecu รุ่นเดียวกันหนะ(น้าเจษว่าไงครับ น้าบอลด้วย....)
ไฟล์แนบ 249190
555 ของเค้า ecu อีกรุ่นนึงครับ ไม่ใช่รุ่นนี้ ของเค้า M10 รุ่นกระบะโค้งตัวสุดท้าย
อันนี้คือผังที่ทำออกมาแล้ว ของ M10
ไฟล์แนบ 249200