-
ตอบ: DIY Cruise Control Triton 2011 ด้วยงบ 55 บาท
อ้างอิง:
โพสต้นฉบับโดยคุณ
pk_kom
ใช่แล้วครับน้า...ตอนนี้พมกำลังหาอุปกรณ์ ขึ้นพวงมาลัย กะว่าพรุ่งนี้ว่างคงจะรื้อพวงมาลัยและหน้าปัดมาดูหน่อยหละ ต่อยอดเอาให้จบ
ตอนถอด clock springระวังให้มากหน่อยนะครับ อย่าลืมถอดขั้วแบต เพราะมีวงจรของ airbag อยู่ด้วย
อีกอย่าง วิธีถอดพวงมาลัย ต้องใช้ประแจ L หัวจีบ ขันน๊อตยึดairbag ออกทั้ง 2 ข้างนะครับ ก่อนถอด clock spring ต้องตั้งล้อให้ตรงและดูมาร์คให้ดี มองผ่านช่องใสจะเห็นสีเหลือง หลังจากถอดclock spring ออกมาแล้วก็แงะขั้วข้างที่มีสาย2เส้น ออกมาบัดกรีเส้นที่เหลือขั้นตอนนี้ต้องระวังนิดนึงคับ
-
1 ไฟล์แนบ
ตอบ: DIY Cruise Control Triton 2011 ด้วยงบ 55 บาท
ของผมเป็น ecu รุ่นนี้ทำได้ป่าวครับ ตอนแรกนึกว่าเป็นกล่องดำ กะว่าจะเจริญรอยตามแล้วเชียว สงสัยต้องนั่งรอต่อไปอีกแล้ว
ไฟล์แนบ 228941
-
ตอบ: DIY Cruise Control Triton 2011 ด้วยงบ 55 บาท
ถ้าปี 2010 มีสายต่อมาจาก กล่องecu หมด แต่ มันใช้ไม่ได้ คับน้าวุฒิเคยบอกไว้ แต่ผมไม่เห็น ไงน้าลองไล่สายตาม ไดแกรมดูครับ
อ้างอิง:
โพสต้นฉบับโดยคุณ
jessada
ของผมเป็น ecu รุ่นนี้ทำได้ป่าวครับ ตอนแรกนึกว่าเป็นกล่องดำ กะว่าจะเจริญรอยตามแล้วเชียว สงสัยต้องนั่งรอต่อไปอีกแล้ว
ไฟล์แนบ 228941
-
1 ไฟล์แนบ
ตอบ: DIY Cruise Control Triton 2011 ด้วยงบ 55 บาท
อ้างอิง:
โพสต้นฉบับโดยคุณ
trr2547
ไฟล์แนบ 226341
ก่อนผมใช้PLUS 4door 140 HP ผลิต ปี2007 4AT มันไม่มีสายจากกล่อง ECU มา เลยแห้วไป แต่ PLUS 4door 140 HP 4AT ปี2010 มีสายต่อมารอหลังกล่องECU แต่ใช่ไม่ได้ สอบถามน้า
ekkawut126 ได้ครับ เขาใช้ PLUS 4door 140 HP 4AT ปี2010
เพิ่มเติม triton 4*4 MT VG 178 HP 2011 ทำได้ครับทำให้เพื่อนมาแล้ว แต่เรือนไมล์ไม่มี LED ต่อ ตามหาLEDมาใส่ไฟ Cruise ก็ไม่โชว์ เลยไปหาไมล์ เกียร์ auto ที่ผลิตปี เดียวมาใส่ใช้ได้ครับ ส่วนการยกเลิก Cruise ใช้แค่สวิทช์ เบรค กับ ปุ่มควบคุมที่พวงมาลัย ครับ (ไม่ได้ใช้สวิทช์ ครัทช์)
รบกวนน้าช่วยดูให้หน่อยครับ ของผม M10 m/t ผมนั่งดูตำแหน่งสายที่น้าชี้ กับ CHECK AT ENGINE-ECU TERMINAL ตามรูป
ไฟล์แนบ 228942
รู้แค่ว่า ช่อง 43 วิ่งไปที่สวิทช์พวงมาลัย แล้วอีกเส้นนึงมันเส้นไหนเหรอครับ
-
1 ไฟล์แนบ
ตอบ: DIY Cruise Control Triton 2011 ด้วยงบ 55 บาท
ไฟล์แนบ 228943
ประมาณนี้ครับน้า
4 กับ 5 คือขาของ Clock spring
-
ตอบ: DIY Cruise Control Triton 2011 ด้วยงบ 55 บาท
อ้างอิง:
โพสต้นฉบับโดยคุณ
trr2547
อ้าว! มาแล้วเมื่อกี้มองไม่เห็นตัวหนังสือ "4 กับ 5 คือขาของ Clock spring " แล้วขา 94 ต่อลงกราวด์เลยหรือปล่าว หรือว่ามันวิ่งไปตรงสวิทช์ (มันมีอยู่แล้ว หรือว่าไม่มี ) ตรงสวิทช์เบรค ถ้าจำไม่ผิดมันมีสายอยู่ 2 เส้น สายสีชมพู/น้ำเงิน เส้นนี้จะต่อลงกราวด์ตลอดจะตัดสัญญาณก็ตอนที่เหยียบเบรค ส่วนอีกเส้นไม่แน่ใจ เคยวัดสัญญาณดูแล้วไม่มีอะไรเกิดขึ้น
พอดีเห็นตัว m11 ของน้าคมทำ(อ้างอิงจากน้าบอล)จะมีอยู่เส้นนึงต่อลงกราวด์ ผมเลยสงสัยอะครับ
-
1 ไฟล์แนบ
ตอบ: DIY Cruise Control Triton 2011 ด้วยงบ 55 บาท
อ้างอิง:
โพสต้นฉบับโดยคุณ
ponheart
ตอนถอด clock springระวังให้มากหน่อยนะครับ อย่าลืมถอดขั้วแบต เพราะมีวงจรของ airbag อยู่ด้วย
อีกอย่าง วิธีถอดพวงมาลัย ต้องใช้ประแจ L หัวจีบ ขันน๊อตยึดairbag ออกทั้ง 2 ข้างนะครับ ก่อนถอด clock spring ต้องตั้งล้อให้ตรงและดูมาร์คให้ดี มองผ่านช่องใสจะเห็นสีเหลือง หลังจากถอดclock spring ออกมาแล้วก็แงะขั้วข้างที่มีสาย2เส้น ออกมาบัดกรีเส้นที่เหลือขั้นตอนนี้ต้องระวังนิดนึงคับ
ตัวนี้คับ 2 ฝั่ง
-
ตอบ: DIY Cruise Control Triton 2011 ด้วยงบ 55 บาท
รถผมปี 2012 ตัว 128 ม้า ทำได้ไหมครับ
:kapook-17195-8823:
-
ตอบ: DIY Cruise Control Triton 2011 ด้วยงบ 55 บาท
อ้างอิง:
โพสต้นฉบับโดยคุณ
ponheart
ตัวนี้คับ 2 ฝั่ง
ขอบคุณมากครับน้าบอล ตอนนี้เสร็จแล้วครับ เดี๋ยวจะเข้ามาอัพ version 2 ต่อครับบนพวงมาลัยไฟโชว์สีเขียวแบบน้าบอลแหละ 555
-
ตอบ: DIY Cruise Control Triton 2011 ด้วยงบ 55 บาท
อ้างอิง:
โพสต้นฉบับโดยคุณ
pk_kom
ขอบคุณมากครับน้าบอล ตอนนี้เสร็จแล้วครับ เดี๋ยวจะเข้ามาอัพ version 2 ต่อครับบนพวงมาลัยไฟโชว์สีเขียวแบบน้าบอลแหละ 555
สุดยอดเลยอ่า รอชมอยู่ครับน้า
-
ตอบ: DIY Cruise Control Triton 2011 ด้วยงบ 55 บาท
อ้างอิง:
โพสต้นฉบับโดยคุณ
pk_kom
ขอบคุณมากครับน้าบอล ตอนนี้เสร็จแล้วครับ เดี๋ยวจะเข้ามาอัพ version 2 ต่อครับบนพวงมาลัยไฟโชว์สีเขียวแบบน้าบอลแหละ 555
สุดยอดมากคับ. รอชมด้วยคับผม
-
ตอบ: DIY Cruise Control Triton 2011 ด้วยงบ 55 บาท
อ้างอิง:
โพสต้นฉบับโดยคุณ
kriengsak9
สุดยอดเลยอ่า รอชมอยู่ครับน้า
ของน้าเกรียงคงไม่ต้องลองแล้ว. ใช้ได้ชัว. ทำเลยคับ
-
ตอบ: DIY Cruise Control Triton 2011 ด้วยงบ 55 บาท
อ้างอิง:
โพสต้นฉบับโดยคุณ
ponheart
ของน้าเกรียงคงไม่ต้องลองแล้ว. ใช้ได้ชัว. ทำเลยคับ
ครับ น้า บอล ว่างๆ จะลองทำดูครับ
-
ตอบ: DIY Cruise Control Triton 2011 ด้วยงบ 55 บาท
ขับ 4เก่าๆ ปี 08 ทำได้ไม๊ครับ..สนใจอย่างแรงส์...
-
ตอบ: DIY Cruise Control Triton 2011 ด้วยงบ 55 บาท
ดีครับน้าๆ ที่ชื่นชอบงานDIY...วันนี้เรามาต่อยอดจาก version แรก กันเลยดีกว่าหนะครับ
ว่าเราจะนำมันขึ้นเรือนไมล์ยังไง ติดหลอดยังไงว่าด้วยเรื่องการถอดเรือนไมล์ หากน้าท่านใดยังถอดไม่เป็นก็สามารถหาข้อมูลในคลับเราได้หนะครับ พมขออนุญาตินำลิงค์จากน้าท่านอื่น มาแปะเพื่อศึกษาดูหนะครับ
http://www.thaitritonclub.com/forum/...ad.php?t=20822
http://www.thaitritonclub.com/forum/...ad.php?t=59211
ส่วนลิงค์นี้เกี่ยวกับการถอดพวงมาลัย
http://www.thaitritonclub.com/forum/...ad.php?t=27805
http://www.thaitritonclub.com/forum/...ad.php?t=30706
-
1 ไฟล์แนบ
ตอบ: DIY Cruise Control Triton 2011 ด้วยงบ 55 บาท
แต่ขอแนะนำให้ถอดพวงมาลัยก่อนหนะครับ อย่าลืมถอดขั้วแบต (-)ลบ หน้ารถด้วยหละครับ ไม่งั้นไฟแอร์แบคโชว์จะไปเสียค่าแก้โค้ดที่ศูนย์ เหมือนพมหนะ 555 เจ็บตัว แต่ไม่เคยจำเลยเสียตังค์ตลอด
เพราะพวงมาลัยออกแล้ว ถอดฝาครอบดำๆ ก้านสวิตย์ไฟเลี้ยว ที่ปัดน้ำฝน นั้นด้วยหนะครับมันจะได้เดินสายไฟมาง่ายๆหน่อย(ทุกครั้งพมทำมันก็ยากตลอดเลยอะ 555) คราวนี้แหละแกะเรื่อนไมล์ง่ายขึ้น
เมื่อแกะออกหมดแล้วจะทำอะไรต่อ มาดูกันครับ
พมเองขอทำตัวนี้ก่อนเลย
ไฟล์แนบ 229026
-
3 ไฟล์แนบ
ตอบ: DIY Cruise Control Triton 2011 ด้วยงบ 55 บาท
หากทำเสร็จน่าตามันก็จะประมาณนี้อะครับ ทำไมพมถึงเอาไว้ฝั่งซ้าย ฮิฮิ.... เพราะฝั่งขวามือพมมันเป็น multifuction หนะครับพมถนัดขวาเพราะมันใช่เปลี่ยนเพลงปล่อยๆ
ไฟล์แนบ 229027
จากนั้นมาดูกันต่อเรื่องสายไฟที่ส่งมาอยู่โซนนี้หนะครับ
ไฟล์แนบ 229028ไฟล์แนบ 229029
-
3 ไฟล์แนบ
ตอบ: DIY Cruise Control Triton 2011 ด้วยงบ 55 บาท
คราวนี้ตาของ Clock Spring น็อตยืดจะมี 3 ตัวในการถอดหนะครับไขควงเลย และด้านล่างมันจะยึดล็อคไว้หนะครับค่อยๆดันออก ไม่ต้องรีบ ใจเย็นๆ นะครับ
จากนั้นมาดูการจัดการสายไฟที่จะผ่าน Clock Spring นี้ไป
ไฟล์แนบ 229033ไฟล์แนบ 229035ไฟล์แนบ 229036
-
1 ไฟล์แนบ
ตอบ: DIY Cruise Control Triton 2011 ด้วยงบ 55 บาท
จากนั้นมาดูเรื่องเรือนไมล์กันบ้าง
ไฟล์แนบ 229043
-
3 ไฟล์แนบ
ตอบ: DIY Cruise Control Triton 2011 ด้วยงบ 55 บาท
-
4 ไฟล์แนบ
ตอบ: DIY Cruise Control Triton 2011 ด้วยงบ 55 บาท
-
ตอบ: DIY Cruise Control Triton 2011 ด้วยงบ 55 บาท
ลืมเรื่องงบไปเลย...ชุดนี้พมเองใช่งบไป ตัวสวิตย์กดติดปล่อยดับ 5 ตัว
ซื้อมาเผื่อ 1 ตัวกันเหนียว = 50 บาท + โพสอิฐ สี อีก 35 บาท = 85 บาท
มากกว่าครั้งแรกไป 10 บาท ฮิฮิ
ส่วนเรื่องสายไฟหรืออื่นๆจิปาฐะ พมมีอยุ่แล้วเพราะ diy ปล่อย ฮิฮิ ก็เลยไม่ได้ซื้อเพิ่มหนะครับ
จบ...หละ!
อะลืม หากพอมีเวลา แล้ว ถนนหนทาง ไม่ค่อยมีรถ จะนำคลิปมาลงให้ชมหนะครับ
-
ตอบ: DIY Cruise Control Triton 2011 ด้วยงบ 55 บาท
อ้างอิง:
โพสต้นฉบับโดยคุณ
pk_kom
ลืมเรื่องงบไปเลย...ชุดนี้พมเองใช่งบไป ตัวสวิตย์กดติดปล่อยดับ 5 ตัว
ซื้อมาเผื่อ 1 ตัวกันเหนียว = 50 บาท + โพสอิฐ สี อีก 35 บาท = 85 บาท
มากกว่าครั้งแรกไป 10 บาท ฮิฮิ
ส่วนเรื่องสายไฟหรืออื่นๆจิปาฐะ พมมีอยุ่แล้วเพราะ diy ปล่อย ฮิฮิ ก็เลยไม่ได้ซื้อเพิ่มหนะครับ
จบ...หละ!
อะลืม หากพอมีเวลา แล้ว ถนนหนทาง ไม่ค่อยมีรถ จะนำคลิปมาลงให้ชมหนะครับ
เวลากดปุ่มแล้วไฟเขียวติดมีความสุขใช่ป่าวครับ:i40::i40: ยินดีด้วยกับความสำเร็จครับ. ตอนนี้ผมกำลังทดลอง เลขบอกตำแหน่งเกียร์ สำหรับเกียร์อัตโนมัติ ถ้าสำเร็จจะลงให้ทีมงานดูครับ
-
ตอบ: DIY Cruise Control Triton 2011 ด้วยงบ 55 บาท
อ้างอิง:
โพสต้นฉบับโดยคุณ
ponheart
เวลากดปุ่มแล้วไฟเขียวติดมีความสุขใช่ป่าวครับ:i40::i40: ยินดีด้วยกับความสำเร็จครับ. ตอนนี้ผมกำลังทดลอง เลขบอกตำแหน่งเกียร์ สำหรับเกียร์อัตโนมัติ ถ้าสำเร็จจะลงให้ทีมงานดูครับ
ถูกต้องครับน้าบอล ... ไฟเขียวติด เท้าขวาสบายหละ พอดีสิ้นปีนี้มีโครงการขึ้นเหนือด้วย ได้ใช่ชัวร์ 555
-
2 ไฟล์แนบ
ตอบ: DIY Cruise Control Triton 2011 ด้วยงบ 55 บาท
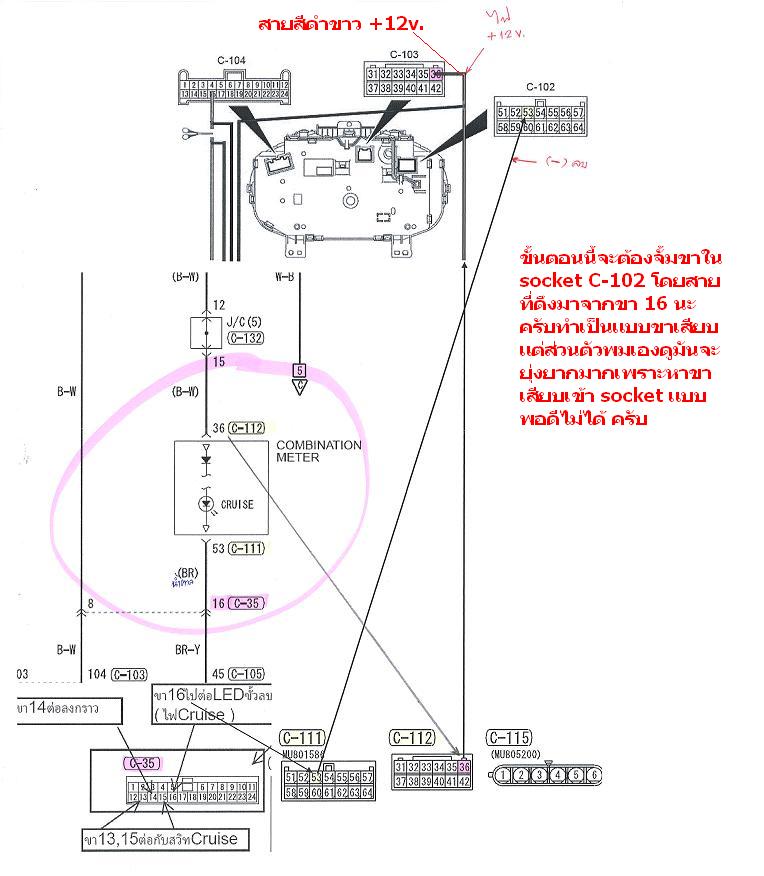
เอาลายแทงไปก่อนเผื่อมีใครจะเอาไปทดลองทำดูก่อนครับ ไฟที่ออกจากกล่องไป Solinoi เป็นไฟลบนะครับ.ไฟล์แนบ 229052
-
ตอบ: DIY Cruise Control Triton 2011 ด้วยงบ 55 บาท
ขอเสริม ครับใส่ led ที่ตำแหน่งไฟโชว์ cruise ของเรือนไมล์ในรุ่นเกียร์ธรรมดา ไม่ทำงานครับ ถ้าเอาไมล์ รุ่นเกียร์ autoมาใส่ไฟโชว์ cruise ทำงานครับ
-
ตอบ: DIY Cruise Control Triton 2011 ด้วยงบ 55 บาท
-
ตอบ: DIY Cruise Control Triton 2011 ด้วยงบ 55 บาท
เห้นแล้ว ท้อใจตรง การถอดประกอบเรือนไมล์จริงๆครับ
-
ตอบ: DIY Cruise Control Triton 2011 ด้วยงบ 55 บาท
อ้างอิง:
โพสต้นฉบับโดยคุณ
kriengsak9
เห้นแล้ว ท้อใจตรง การถอดประกอบเรือนไมล์จริงๆครับ
ไม่ต้องแยกชิ้นก็ได้ครับเปิดฝาหลังแล้วแง้มแผ่น boardออกนิดเดียวแล้วเอา LEDตัวเล็กสอดเข้าไปปิดฝาหลังจบครับผมก็ทำแบบนี้ แต่ถ้าจะใส่ 7 Segment บอกตำแหน่งเกียร์ สงสัยต้องถอดตามที่น้าคม Post ไว้ครับ.
-
ตอบ: DIY Cruise Control Triton 2011 ด้วยงบ 55 บาท
-
ตอบ: DIY Cruise Control Triton 2011 ด้วยงบ 55 บาท
มันเป็นแบบนี้ครับ ไฟรูปถุงลมขึ้น
-
ตอบ: DIY Cruise Control Triton 2011 ด้วยงบ 55 บาท
เอารูปลงยังงัยเนี่ย...งง(ยืมแทปเลทแม่บ้านมาใช้)
-
ตอบ: DIY Cruise Control Triton 2011 ด้วยงบ 55 บาท
อ้างอิง:
โพสต้นฉบับโดยคุณ
thon
:100 2:สำเร็จแล้วครับ...
ยินดีด้วยคับผม:34 3:
-
ตอบ: DIY Cruise Control Triton 2011 ด้วยงบ 55 บาท
พรุ้งนี้ นัดกะน้า pk kom วิ่งไปหาที่ กม 10 ครับ จะลองไปคันต่อไปครับ เดียวจะมาอัพเดทอีกทีครับ
ขอบคุณน้าบอล เจ้าของกระทู้และ น้า pk kom ที่จะเป็นครูช่วยชี้แนะในครั้งนี้ครับ
-
ตอบ: DIY Cruise Control Triton 2011 ด้วยงบ 55 บาท
อ้างอิง:
โพสต้นฉบับโดยคุณ
kriengsak9
พรุ้งนี้ นัดกะน้า pk kom วิ่งไปหาที่ กม 10 ครับ จะลองไปคันต่อไปครับ เดียวจะมาอัพเดทอีกทีครับ
ขอบคุณน้าบอล เจ้าของกระทู้และ น้า pk kom ที่จะเป็นครูช่วยชี้แนะในครั้งนี้ครับ
ต้องขออภัยน้าเกรียงผมรับปากว่าจะไปทดลองให้ แต่ยังไม่ว่างเลย. ยินดีด้วยล่วงหน้าคับ ถ้าถึงมือน้าคม
-
ตอบ: DIY Cruise Control Triton 2011 ด้วยงบ 55 บาท
อ้างอิง:
โพสต้นฉบับโดยคุณ
thon
มันเป็นแบบนี้ครับ ไฟรูปถุงลมขึ้น
พมก็ขึ้น เพราะลืมถอดขั่วแบตลบ แอร์แบตมันถูกเช็คแล้วไม่เจอขึ้นไฟซะเลย สงสัยได้เสียตังค์ค่า service ที 0 อีกหละ ลบได้ครับ จ่าย 423 บาท
ในบิลเค้าเขียนว่า ค่าบริการตรวจสอบ MU III ฮิฮิ เจ็บแล้วไม่จำเลยเรา
-
ตอบ: DIY Cruise Control Triton 2011 ด้วยงบ 55 บาท
อ้างอิง:
โพสต้นฉบับโดยคุณ
ponheart
ต้องขออภัยน้าเกรียงผมรับปากว่าจะไปทดลองให้ แต่ยังไม่ว่างเลย. ยินดีด้วยล่วงหน้าคับ ถ้าถึงมือน้าคม
ครับน้า แค่ได้ กระทู้ Diy ครั้งนี้จากน้าก้ ปลื้มแล้วครับผม เดวจะเอารูปจากการทดลองติดตั้งพรุ้งนี้มาให้ชมกันครับ
-
ตอบ: DIY Cruise Control Triton 2011 ด้วยงบ 55 บาท
อ้างอิง:
โพสต้นฉบับโดยคุณ
pk_kom
พมก็ขึ้น เพราะลืมถอดขั่วแบตลบ แอร์แบตมันถูกเช็คแล้วไม่เจอขึ้นไฟซะเลย สงสัยได้เสียตังค์ค่า service ที 0 อีกหละ ลบได้ครับ จ่าย 423 บาท
ในบิลเค้าเขียนว่า ค่าบริการตรวจสอบ MU III ฮิฮิ เจ็บแล้วไม่จำเลยเรา
อ้าวกลายเป็นว่าเรา DIY ไม่ถึงร้อยแต่ต้องเสียค่า Reset ตั้ง 400 5555 จัดไปผมเองทุกวันนี้แดงแจ๋:100 2:
-
ตอบ: DIY Cruise Control Triton 2011 ด้วยงบ 55 บาท
ต้องขอขอบคุณน้า คม มากมากในครั้งนี้น่ะครับมี่เสียสละเวลา ทั้งวันให้กับรถกระผม ซึ่งทั้งวันน้าคมไม่ได้กินข้าวเที่ยงเลยทำตั้งแต่10โมงเช้ายัน 5 โมงเย้น แทบไม่ได้พักเลยจนงานเสร็จ ซึ่งการทำในครั้งนี้ ได้ความปราณีต มากครับ และทำให้รถผม ได้ใช้ cruise control ในราคาไม่ถึง 200 และของคุณ น้าบอลเจ้าของกระทู้อีกทางครับที่ทำให้เรามี cruise control ใช้กัน
-
ตอบ: DIY Cruise Control Triton 2011 ด้วยงบ 55 บาท
เดวขอเวลาพัก ว่างๆเดวอารูปขณะทำให้มาให้ชมกันครับ